外抽式真空包裝機手冊介紹
- 1 外抽真空機概述
- 2 牠有哪些優點
- 3 調試與操作
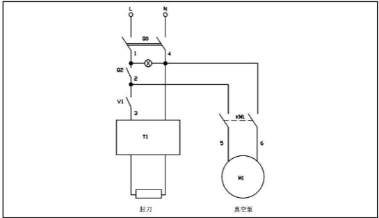
- 4 電路圖
- 5 氣路圖
- 6 故障排除
- 6.1 真空包裝漏氣
- 6.2 封口封不住或封口不理想
- 6.3 封口不平整或有褶皺
- 6.4 加熱條不加熱
- 6.5 加熱條經常燒斷破裂
- 6.6 不抽真空或者真空速度慢
- 6.7 文本顯示器顯示正在通訊
- 7 維護與保養
- 8 質保鬚知
- 9 規格蔘數
電路圖
- 2017-11-11 10:35:08
- 宏萬機械
- 9190
- 最後編輯:hwadmin 於 2019-12-07 10:15:53
